Description
Product ID
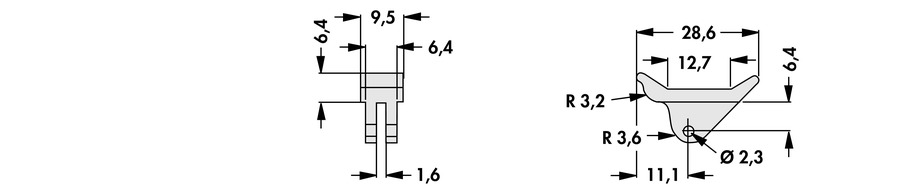
AHG K 28
Product Category
For Mechanical Components
Description
with matching spring pin
Parameters
Features
| material | nylon |
| temperature range | -40°C… +120°C |
| class of inflammability | UL 94 V-2 |
| type of delivery | all ejectors with matching spring pin |







